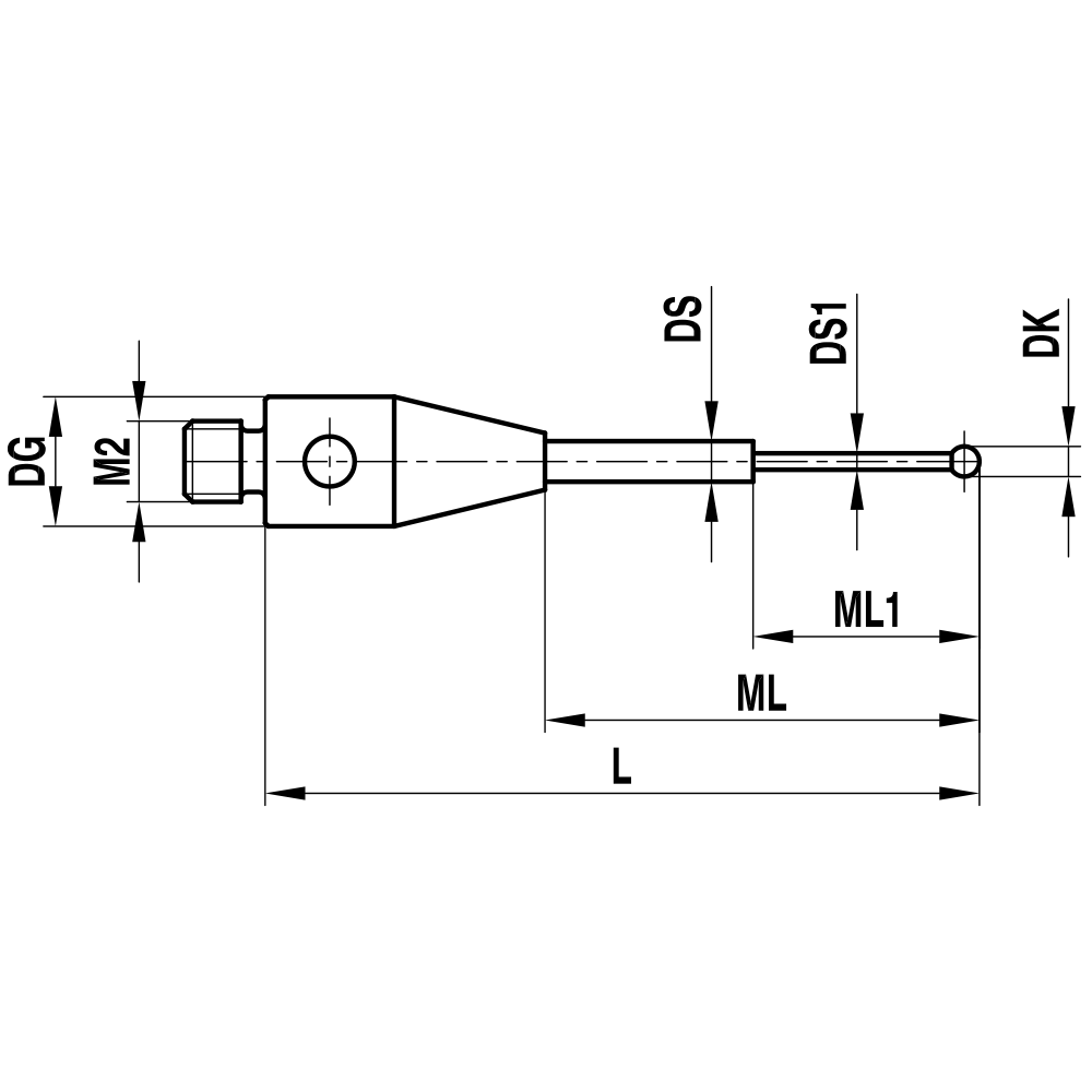
M2 Stepped-stem Stylus

Ruby Ball , Carbide Stem , Stainless Steel Base
0.80 mm Ball; 13.5 mm Measuring Length; 18.0 mm Total Length

$57.00

TH M2 008 03 018

Prices do not include Sales Tax or Shipping Cost.

Email this Description
M2 Stepped-stem Stylus
Ruby Ball , Carbide Stem , Stainless Steel Base
Order-No.: TH M2 008 03 018
Price: $57.00
Thread Size: M2
DK: 0.8 mm
L: 18.0 mm
DG: 3.0 mm
ML: 13.5 mm
Ml (1): 4.8 mm
DS: 1.0 mm
Ds (1): 0.6 mm
Thread size: M2
Probe Ball Material: Ruby
Stem Material: Carbide
Base Material: Stainless Steel
Weight: 0.3 g
Design Your Own customized specials manufactured to your specifications.
0.80 mm Ball; 13.5 mm Measuring Length; 18.0 mm Total Length
Compare to:
Qmark: Tm20820

Comparable data disclaimer