M3 ¼ Star XXT Clamping Stylus

Ruby Ball , Carbon Fiber Stem , Titanium Base
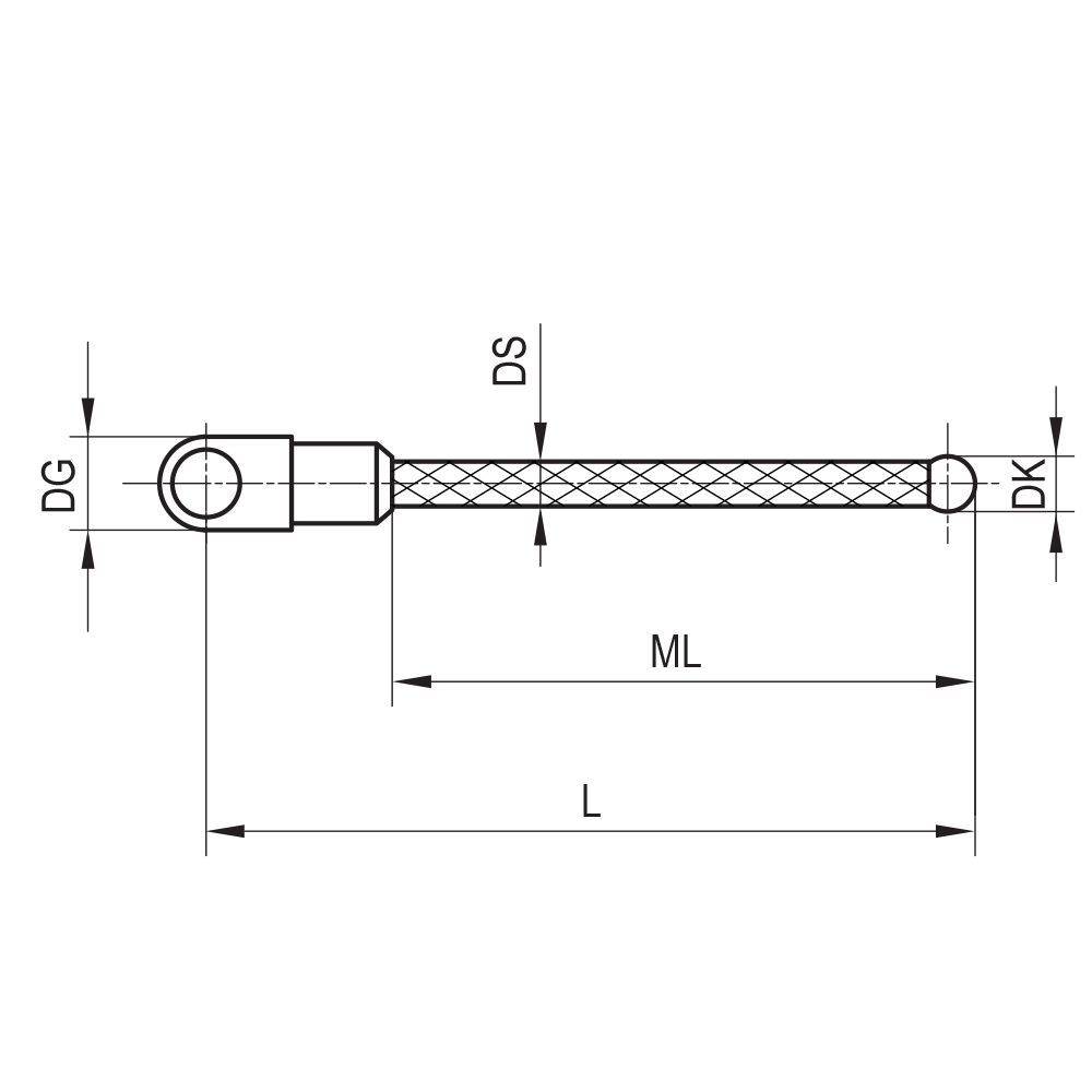
3.0 mm Ball; 11.0 mm Measuring Length; 20.5 mm Total Length

$149.00

SC M3 030 05 020

Prices do not include Sales Tax or Shipping Cost.

Email this Description
M3 ¼ Star XXT Clamping Stylus
Ruby Ball , Carbon Fiber Stem , Titanium Base
Order-No.: SC M3 030 05 020
Price: $149.00
Thread Size: M3 Xxt
DK: 3.0 mm
L: 20.5 mm
DG: 5.0 mm
ML: 11.0 mm
DS: 2.0 mm
Thread size: M3 Xxt
Probe Ball Material: Ruby
Stem Material: Carbon Fiber
Base Material: Titanium
Weight: 0.9 g
Design Your Own customized specials manufactured to your specifications.
3.0 mm Ball; 11.0 mm Measuring Length; 20.5 mm Total Length
Compare to:
Zeiss: 626103-0302-020

Comparable data disclaimer